Streamer Mini Kendinden Emişli Havuz Pompası
Gemaş Streamer Mini Havuz Pompası
Havuz pompaları, havuz suyunun sürekli olarak filtrelerden geçmesini ve temiz kalmasını sağlayan temel ekipmandır. Su sirkülasyonunu düzenleyerek yosun oluşumunu önler ve kimyasalların havuzda eşit şekilde dağılmasına yardımcı olur.
Kendinden Emişli Havuz Pompası
Streamer Mini; yüzme havuzu pompası yatay santrifüj yapıda bir pompa olup, kullanım amacı yüzme havuzlarında havuz suyunun sürekli çevrimini sağlamaktadır. Bu amaçla havuz tesisatında filtreden önce tesis edilir. Havuzdan gelen şartlandırılmış suyu tekrar filtreden geçirmek üzere basar. Havuzdan gelebilecek saç ve cisimlerin pompa fanına zarar vermesini önlemek amacıyla bir ön filtre ile birlikte tasarlanmıştır.Ön filtre içerisindeki plastik sepet kirlendiğinde temizlemek üzere gövdeden dışarı alınabilir. Pompa ön filtre sepeti günlük olarak kontrol edilmeli ve gerekirse temizlenmelidir. Ön filtre kapağı açılmadan önce pompa ve basma vanaları su temasını kesmek üzere kapatılmalıdır. Sepet temizliğinden sonra pompa kapak contasıda temizlenmeli ve yuvasına oturtulmalıdır. Ardından pompanın suyla dolu olup olmadığı kontrol edilmeli ve doluysa ön filtre kapağı yerine oturtularak kelebek vidaları eşit bir biçimde sıkılmalıdır. Bu işlemden sonra emiş ve basma vanaları açılarak pompaya yol verilmelidir.
- Kendinden emişli, monoblok ön filtreli, termoplastik gövdeli havuz pompası.
- Emme ve basma ağızları kendinden rakorlu; 1 1/2” (Ø50 mm), Pompa mili paslanmaz çelik.
- 40°’lik döndürme hareketi ile kolay açılıp kapanan kapak.
- Çatlamalara karşı kimyasal dayanımı yüksek şeffaf “Xylex” kapak seçeneği.
- IP55 motor.
- Pompa bağlantı rakorları Ø50 mm
- Gemaş Küresel Vana Sapı yardımıyla sıkılıp, açılabilir.
Gemaş Havuz Pompaları Yedek Parçaları için sitemizi inceleyebilirsiniz.
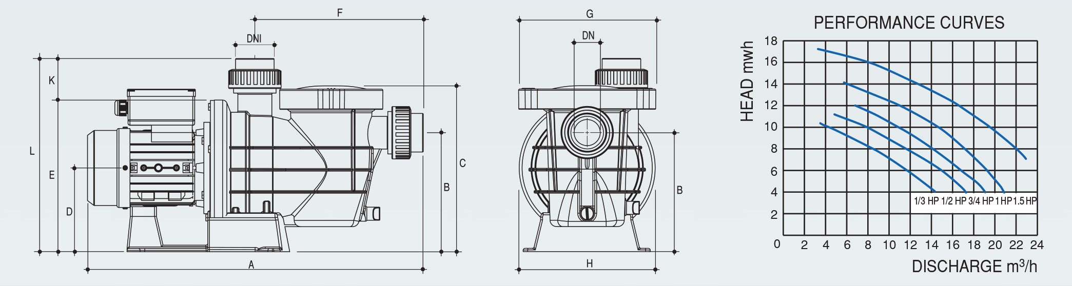
Streamer Mini Kendinden Emişli Havuz Pompası Teknik Özellikleri:
| Pompa Tipi | HP | Kondansatör (µF) | Akım (A) | Debi (m³/h) – Basma Yüksekliği (m) | ||||||||||
|---|---|---|---|---|---|---|---|---|---|---|---|---|---|---|
| 230V | 230V | 400V | 4 | 6 | 8 | 10 | 11 | 12 | 14 | 16 | 17 | |||
| STRM-0,33M | 0,33 | 16 | 2,50 | - | - | 14,10 | 11,60 | 8,30 | 4,00 | - | - | - | - | - |
| STRM-0,50M | 0,50 | 20 | 2,70 | 2,33 | - | 17,20 | 14,90 | 11,40 | 7,90 | 4,80 | - | - | - | - |
| STRM-0,80T/M | 0,75 | 25 | 3,40 | 3,03 | 1,44 | 18,90 | 16,70 | 13,50 | 10,80 | 9,00 | 6,80 | - | - | - |
| STRM-1,00T/M | 1,00 | 30 | 3,60 | 4,42 | 1,48 | 20,80 | 19,30 | 17,10 | 14,90 | 13,20 | 10,50 | 6,00 | - | - |
| STRM-1,50T/M | 1,50 | 30 | 5,15 | 4,60 | 2,30 | 26,00 | 24,80 | 22,00 | 19,50 | 18,00 | 16,50 | 12,50 | 15,00 | - |
| Pompa Tipi | DNA | DNI | Ölçüler (mm) | Net Ağırlık (kg) | Ambalaj Ağırlığı (kg) | |||||||||||
|---|---|---|---|---|---|---|---|---|---|---|---|---|---|---|---|---|
| A | K | B | C | D | E | F | G | H | L | Mono | Tri | Mono | Tri | |||
| STRM-0,33M | 1 1/2" | 1 1/2" | 500 | 70 | 175 | 270 | 125 | 230 | 255 | 210 | 175 | 300 | 8,75 | - | 7,75 | - |
| STRM-0,50M | 1 1/2" | 1 1/2" | 500 | 70 | 175 | 270 | 125 | 230 | 255 | 210 | 175 | 300 | 9,15 | - | 8,15 | - |
| STRM-0,80T/M | 1 1/2" | 1 1/2" | 500 | 70 | 175 | 270 | 125 | 230 | 255 | 210 | 175 | 300 | 11,05 | 11,35 | 10,05 | 10,35 |
| STRM-1,00T/M | 1 1/2" | 1 1/2" | 500 | 70 | 175 | 270 | 125 | 230 | 255 | 210 | 175 | 300 | 12,05 | 11,45 | 11,05 | 10,45 |
| STRM-1,50T/M | 1 1/2" | 1 1/2" | 500 | 70 | 175 | 270 | 125 | 230 | 255 | 210 | 175 | 300 | 12,15 | 11,55 | 11,15 | 10,55 |
| Pompa Tipi | Emiş Borusu Çapı |
|---|---|
| STRM-33M | 1 1/2" (Ø50 mm) |
| STRM-50M | 1 1/2" (Ø50 mm) |
| STRM-80T/M | 2" (Ø63 mm) |
| STRM-100T/M | 2" (Ø63 mm) |
| STRM-150T/M | 2 1/2" (Ø75 mm) |
| Pompa Tipi | Ambalaj Ölçüleri (mm) |
|---|---|
| STRM-33 / 50 / 80 / 100 / 150 | 540 × 210 × 370 |